Clique nas referências da tabela abaixo para fazer o download dos desenhos. Todos os arquivos baixados estão zipados, para visualizar baixe o programa AQUI.
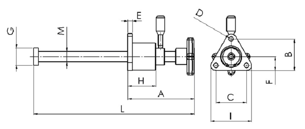
| REFERÊNCIA | A | B | C | D | E | F | G | H | I | L | M | PESO kg |
|---|---|---|---|---|---|---|---|---|---|---|---|---|
| KFR-12 | 64,5 | 35 | 45 | 5,5 | 6 | 20 | 19 | 32 | 55 | 175,4 | M12X1,75 | 0,480 |
| KFRF-12 | 64,5 | 38,9 | 38 | 5,5 | 6 | 17 | 19 | 32 | 50 | 175,4 | M12X1,75 | 0,420 |
| KFR-16 | 93,7 | 40 | 53 | 7 | 8 | 28 | 25 | 40 | 65 | 249 | M16X2,00 | 0,920 |
| KFRF-16 | 93,7 | 50 | 48,5 | 7 | 8 | 42,2 | 25 | 40 | 64,5 | 249 | M16X2,00 | 0,820 |
| KFR-20 | 116 | 50,8 | 68 | 8,5 | 9 | 32 | 32 | 52 | 85 | 292 | M20X2,00 | 1,950 |
| KFRF-20 | 116 | 59 | 57 | 8,5 | 9 | 26,1 | 32 | 52 | 76 | 292 | M20X2,00 | 1,750 |